페이지 정보

본문
| Product | Composite Type Flanges |
|---|---|
| Category | Slip_On & Socket Welding |
| Name | [EEMUA 145 7060X + A105] Composite Slip-On Flange For Cu-Ni Pipe |
| Materials | EEMUA 145 7060X + A105 |
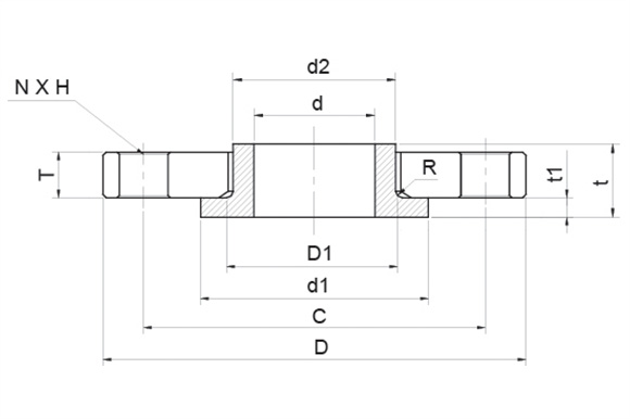
제품설명
- Unit : mm
| Pipe | Internal Flange | External Flange | Bolt | ||||||||||
|---|---|---|---|---|---|---|---|---|---|---|---|---|---|
| N/D | O/D | d | d1 | d2 | t | t1 | R | D | C | D1 | T | N | H |
| 1/2" | 16.0 | 16.07 | 40.0 | 21.0 | 16.0 | 5 | 1 | 89 | 60.3 | 23 | 14 | 4 | 15.9 |
| 3/4" | 25.0 | 25.08 | 53.0 | 31.0 | 16.0 | 5 | 1 | 98 | 69.8 | 33 | 14 | 4 | 15.9 |
| 1" | 30.0 | 30.08 | 60.0 | 36.0 | 18.0 | 5 | 1 | 108 | 79.4 | 38 | 14 | 4 | 15.9 |
| 1 1/4" | 38.0 | 38.10 | 70.0 | 45.0 | 18.0 | 5 | 1 | 117 | 88.9 | 47 | 14 | 4 | 15.9 |
| 1 1/2" | 44.5 | 44.60 | 80.0 | 51.0 | 19.0 | 5 | 1 | 127 | 98.4 | 53 | 14 | 4 | 15.9 |
| 2" | 57.0 | 57.23 | 99.0 | 67.0 | 19.0 | 6 | 1 | 152 | 120.6 | 69 | 18 | 4 | 19.0 |
| 2 1/2" | 78.01 | 76.33 | 120.0 | 87.0 | 19.0 | 6 | 1 | 178 | 139.7 | 89 | 18 | 4 | 19.0 |
| 3" | 88.9 | 89.18 | 130.0 | 100.0 | 21.0 | 7 | 1 | 190 | 152.4 | 103 | 19 | 4 | 19.0 |
| 4" | 108.0 | 108.38 | 158.0 | 120.0 | 23.0 | 7 | 1 | 229 | 190.5 | 123 | 24 | 4 | 19.0 |
2. Process : Hot Forming
3. Heat Treatment : Annealing After Hot Forming
4. Temp& Hold Time : 750℃±50℃, 30Min / Inch(THK)




